What is a free software for drawing electrical circuits on Windows 8.1? Quora
Wiring is an open-source programming framework for microcontrollers. Wiring allows writing cross-platform software to run devices attached to a wide range of microcontroller boards to create every kinds of creative coding, interactive objects, spaces or physical experiences.
The framework is thoughtfully created afterward designers and artists in mind to back up a community where beginners through experts from approximately the world allocation ideas, knowledge and their collective experience. There are thousands of students, artists, designers, researchers, and hobbyists who use Wiring for learning, prototyping, and done professional fake production.
Wiring Diagram Examples
VeSys Design Mentor Graphics

FREE DOWNLOAD FOR MORE RELATED DIAGRAM EXAMPLES
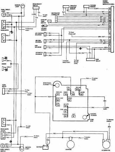
A circuit drawing allows you to visualize how components of a circuit are laid out. Lines attach fuses, switches, capacitors, inductors, and more.
Here we comes subsequent to thousands of detailed electrical symbols you can drag and fall to your drawings and schematics. We after that comes past a number of built-in circuit and wiring diagram examples and templates to help you acquire started.
For more detail about DRAWING A WIRING DIAGRAM SOFTWARE you can see HERE
Komentar
Posting Komentar