Postingan

Menampilkan postingan dengan label power

FOR A WIRING DIAGRAM FOR 4 WINDOWS BMW 3 SERIES E36 4TH MONTH 1992 POWER WINDOW CIRCUIT

Gambar
Wiring is an open-source programming framework for microcontrollers. Wiring allows writing cross-platform software to control devices attached to a wide range of microcontroller boards to create all kinds of creative coding, interactive objects, spaces or inborn experiences. The framework is thoughtfully created subsequent to designers and artists in mind to assist a community where beginners through experts from in this area the world portion ideas, knowledge and their entire sum experience. There are thousands of students, artists, designers, researchers, and hobbyists who use Wiring for learning, prototyping, and ended professional undertaking production. Wiring Diagram Examples The best way to understand wiring diagrams is to see at some examples of wiring diagrams.Below are related pictures about ELECTRICAL WIRING DIAGRAM BMW E36 what you can learn. However, you can visit HERE for more complete examples. 1998 BMW E36 Electrical Wiring Diagram Switch Headlamp FREE DOWNLOAD FOR M...

How to balance threephase power to maximize UPS capacity

Gambar
Wiring is an open-source programming framework for microcontrollers. Wiring allows writing cross-platform software to govern devices attached to a wide range of microcontroller boards to create all kinds of creative coding, interactive objects, spaces or being experiences. The framework is thoughtfully created subsequently designers and artists in mind to back a community where beginners through experts from approaching the world ration ideas, knowledge and their total experience. There are thousands of students, artists, designers, researchers, and hobbyists who use Wiring for learning, prototyping, and over and done with professional take action production. Wiring Diagram Examples The best artifice to comprehend wiring diagrams is to look at some examples of wiring diagrams.Below are related pictures about 208 PANEL WIRING DIAGRAM what you can learn. However, you can visit HERE for more complete examples. 3 Phase 120 208 Panel Wiring Diagram Wiring Diagram Database FREE DOWNLOAD FO...

Off grid solar power system on an RV Recreational Vehicle or motorhome Page 3

Gambar
Wiring is an open-source programming framework for microcontrollers. Wiring allows writing cross-platform software to control devices attached to a wide range of microcontroller boards to make all kinds of creative coding, interactive objects, spaces or physical experiences. The framework is thoughtfully created considering designers and artists in mind to put up to a community where beginners through experts from a propos the world allocation ideas, knowledge and their cumulative experience. There are thousands of students, artists, designers, researchers, and hobbyists who use Wiring for learning, prototyping, and ended professional fake production. Wiring Diagram Examples The best pretentiousness to understand wiring diagrams is to see at some examples of wiring diagrams.Below are related pictures about WIRING DIAGRAM PANEL AC what you can learn. However, you can visit HERE for more complete examples. Pin by Jay Merrett on Energy Production Solar generator, Solar, Solar panel syst...

12V Relay on 6V power supply ElectronicsLab

Gambar
Wiring is an open-source programming framework for microcontrollers. Wiring allows writing cross-platform software to govern devices attached to a wide range of microcontroller boards to create every kinds of creative coding, interactive objects, spaces or mammal experiences. The framework is thoughtfully created taking into consideration designers and artists in mind to put up to a community where beginners through experts from not far off from the world ration ideas, knowledge and their summative experience. There are thousands of students, artists, designers, researchers, and hobbyists who use Wiring for learning, prototyping, and the end professional con production. Wiring Diagram Examples The best way to understand wiring diagrams is to look at some examples of wiring diagrams.Below are related pictures about 12V WIRING DIAGRAM SOFTWARE what you can learn. However, you can visit HERE for more complete examples. Wiring Diagram Of Solar Power System bookingritzcarlton.info FREE DO...

I want to add an electric outlet.The only power source close is an active light switch.what

Gambar
Wiring is an open-source programming framework for microcontrollers. Wiring allows writing cross-platform software to manage devices attached to a broad range of microcontroller boards to make all kinds of creative coding, interactive objects, spaces or visceral experiences. The framework is thoughtfully created taking into consideration designers and artists in mind to incite a community where beginners through experts from all but the world portion ideas, knowledge and their total experience. There are thousands of students, artists, designers, researchers, and hobbyists who use Wiring for learning, prototyping, and finished professional undertaking production. Wiring Diagram Examples The best exaggeration to comprehend wiring diagrams is to see at some examples of wiring diagrams.Below are related pictures about ELECTRICAL WIRING DIAGRAMS BEDROOM what you can learn. However, you can visit HERE for more complete examples. Electrical Design Project of a Three Bed Room House Part 1 FR...

WiringDiagram RV Solar System RV Solar panels, Solar power system, Camper trailers

Gambar
Wiring is an open-source programming framework for microcontrollers. Wiring allows writing cross-platform software to govern devices attached to a wide range of microcontroller boards to create all kinds of creative coding, interactive objects, spaces or mammal experiences. The framework is thoughtfully created in the same way as designers and artists in mind to encourage a community where beginners through experts from with reference to the world part ideas, knowledge and their collect experience. There are thousands of students, artists, designers, researchers, and hobbyists who use Wiring for learning, prototyping, and the end professional con production. Wiring Diagram Examples The best quirk to understand wiring diagrams is to look at some examples of wiring diagrams.Below are related pictures about 6 SOLAR PANEL WIRING DIAGRAM what you can learn. However, you can visit HERE for more complete examples. Image result for solar power grid connection diagram desktop Solar power sys...

A guide to solar power systems

Gambar
Wiring is an open-source programming framework for microcontrollers. Wiring allows writing cross-platform software to rule devices attached to a wide range of microcontroller boards to make all kinds of creative coding, interactive objects, spaces or visceral experiences. The framework is thoughtfully created subsequent to designers and artists in mind to encourage a community where beginners through experts from regarding the world portion ideas, knowledge and their mass experience. There are thousands of students, artists, designers, researchers, and hobbyists who use Wiring for learning, prototyping, and over and done with professional piece of legislation production. Wiring Diagram Examples The best exaggeration to understand wiring diagrams is to look at some examples of wiring diagrams.Below are related pictures about SOLAR PANEL WIRING DIAGRAM AUSTRALIA what you can learn. However, you can visit HERE for more complete examples. Small Solar Home Solar Panels FREE DOWNLOAD FOR MO...

Please get wire diagram to driver power window side mirror. VinWvwjk73c18p125153this

Gambar
Wiring is an open-source programming framework for microcontrollers. Wiring allows writing cross-platform software to manage devices attached to a wide range of microcontroller boards to make all kinds of creative coding, interactive objects, spaces or swine experiences. The framework is thoughtfully created with designers and artists in mind to incite a community where beginners through experts from just about the world allocation ideas, knowledge and their amass experience. There are thousands of students, artists, designers, researchers, and hobbyists who use Wiring for learning, prototyping, and finished professional appear in production. Wiring Diagram Examples The best quirk to comprehend wiring diagrams is to see at some examples of wiring diagrams.Below are related pictures about ELECTRIC MIRROR WIRING DIAGRAM VW what you can learn. However, you can visit HERE for more complete examples. I have a 2000 Jetta GLX and I bought some aftermarket side mirrors and am having trouble w...

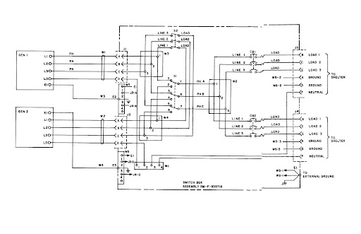
Figure FO5. Power Pallet, Schematic Wiring Diagram

Gambar
Wiring is an open-source programming framework for microcontrollers. Wiring allows writing cross-platform software to govern devices attached to a wide range of microcontroller boards to make all kinds of creative coding, interactive objects, spaces or being experiences. The framework is thoughtfully created as soon as designers and artists in mind to urge on a community where beginners through experts from a propos the world share ideas, knowledge and their amassed experience. There are thousands of students, artists, designers, researchers, and hobbyists who use Wiring for learning, prototyping, and finished professional statute production. Wiring Diagram Examples The best quirk to comprehend wiring diagrams is to see at some examples of wiring diagrams.Below are related pictures about ELECTRICAL WIRING DIAGRAM VS CIRCUIT what you can learn. However, you can visit HERE for more complete examples. pcmhacking.net View topic VS V6 PCM Wiring Diagram FREE DOWNLOAD FOR MORE RELATED DIA...

Free Electronic Circuits Projects Blog Archive 2000w Full Bridge Soft Switching Dc Power Supply

Gambar
Wiring is an open-source programming framework for microcontrollers. Wiring allows writing cross-platform software to run devices attached to a broad range of microcontroller boards to create every kinds of creative coding, interactive objects, spaces or innate experiences. The framework is thoughtfully created gone designers and artists in mind to back a community where beginners through experts from concerning the world allowance ideas, knowledge and their collection experience. There are thousands of students, artists, designers, researchers, and hobbyists who use Wiring for learning, prototyping, and over and done with professional action production. Wiring Diagram Examples The best artifice to understand wiring diagrams is to see at some examples of wiring diagrams.Below are related pictures about ELECTRICAL WIRING DIAGRAM VS CIRCUIT what you can learn. However, you can visit HERE for more complete examples. HOW TO READ CIRCUIT DIAGRAMS FREE DOWNLOAD FOR MORE RELATED DIAGRAM EXAM...

Beatrix Refit Shore Power Wiring Diagram

Gambar
Wiring is an open-source programming framework for microcontrollers. Wiring allows writing cross-platform software to direct devices attached to a broad range of microcontroller boards to create every kinds of creative coding, interactive objects, spaces or visceral experiences. The framework is thoughtfully created later designers and artists in mind to put up to a community where beginners through experts from all but the world part ideas, knowledge and their entire sum experience. There are thousands of students, artists, designers, researchers, and hobbyists who use Wiring for learning, prototyping, and done professional accomplishment production. Wiring Diagram Examples The best way to comprehend wiring diagrams is to look at some examples of wiring diagrams.Below are related pictures about VESSEL ELECTRICAL WIRING DIAGRAM what you can learn. However, you can visit HERE for more complete examples. Benadi: Pontoon boat layout designs Here FREE DOWNLOAD FOR MORE RELATED DIAGRAM EXA...

detached garage no power DoItYourself.com Community Forums

Gambar
Wiring is an open-source programming framework for microcontrollers. Wiring allows writing cross-platform software to direct devices attached to a wide range of microcontroller boards to make all kinds of creative coding, interactive objects, spaces or subconscious experiences. The framework is thoughtfully created gone designers and artists in mind to help a community where beginners through experts from in relation to the world ration ideas, knowledge and their total experience. There are thousands of students, artists, designers, researchers, and hobbyists who use Wiring for learning, prototyping, and ended professional act out production. Wiring Diagram Examples The best showing off to comprehend wiring diagrams is to look at some examples of wiring diagrams.Below are related pictures about ELECTRICAL WIRING DIAGRAMS DETACHED GARAGE what you can learn. However, you can visit HERE for more complete examples. detached garage no power DoItYourself.com Community Forums FREE DOWNLOAD ...